|
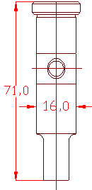
4 Station CE style N Range.030-.984� ,8-25,mm PUNCH Grind Life: .060�/1,5mm ���� Minimum length 2.795/71mm DIE Grind Life: .06�/1,5MM� � Minimum length=.728/18,5mm |
|
7 or 8 Station CE style P Range.030-.629� ,8-16.mm PUNCH Grind Life: .060�/1,5mm ���� Minimum length 2.795/71mm DIE Grind Life: .06�/1,5MM� �� Minimum length=.602/15,3mm |
|
6 Station CE style O Range.030-0.787�� 8-20.mm PUNCH Grind Life: .060�/1,5mm ���� Minimum length 2.795/71mm DIE Grind Life: .06�/1,5MM� �� Minimum length=.7282/18,5mm |





|
�� MTN���������� MTO ���������MTP |
|
������������� |
|
CE TOOLING �����������������. |
|
BOSCHERT REVO MULTI-TOOL |

|
STYLE |
Shape |
Punch M2 Steel CATALOG CODE |
Die A2 Steel Slug Trap� CATALOG CODE |
|
N 4 Sta. |
Round |
MTNP-r |
MTND-r |
|
Shape |
MTNP-s |
MTND-s |
|
|
O 6 Sta. |
Round |
MTOP-r |
MTOD-r |
|
Shape |
MTOP-s |
MTOD-s |
|
|
P 7 or 8 Sta. |
Round |
MTPP-r |
MTPD-r |
|
Shape |
MTPP-s |
MTPD-s |